Amoybrand

20 "600lbデュアルプレートウェーハチェックバルブLCC API594
20 "600lbデュアルプレートウェーハチェックバルブLCC API594

20 "600lbデュアルプレートウェーハチェックバルブLCC API594

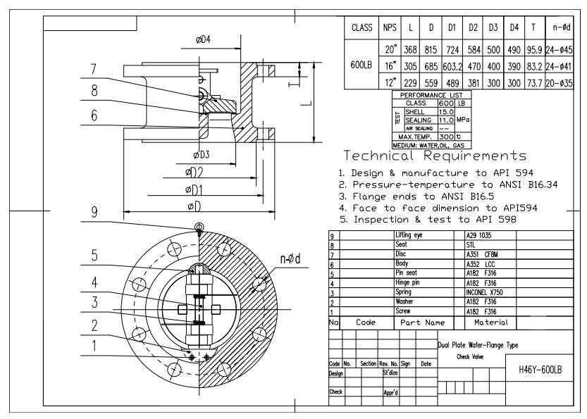
Dervosは、産業用アプリケーションを要求するために設計されたプレミアムウェーハチェックバルブを提供しています。 A352 LCC、20 "600lb、 20 "600lbデュアルプレートウェーハチェックバルブ デュアルプレートの構造特性があります。

  • バルブ :

    ウェーハチェックバルブ
  • 体材 :

    A352 LCC
  • バルブサイズ :

    20"
  • 設計標準 :

    API 594
  • 繋がり :

    繋がり
  • max.temp。 :

    300°C
  • 製品の詳細

 

デュアルプレートウェーハチェックバルブ 技術図面

 

主な機能:

  1. 20 "600lbデュアルプレートウェーハチェックバルブは、高圧条件下で優れた強度と耐食性を提供するコンパクトなLCCボディデザインを備えています。
  2. API 594標準に準拠したこのバルブは、パイプラインを簡単に設置するためのスペース節約ウェーハ接続を備えた信頼性の高い逆流防止を保証します。

バルブ本体

A352 LCC

ディスク

API 594

接続タイプ

ダブルフランジRF

対面の寸法

API 594

フランジディム

ANSI B16.5

テスト標準

API 598

圧力温度

ANSI B16.34

伝言を残す

あなたが私達のプロダクトに興味があるなら、より多くの詳細を知りたいのなら、ここにメッセージを残してください、私達は私達ができるだけ早くあなたに答えます。
サプライヤー
カテゴリ

毎日の更新を入手 私たちはあなたのEメールアドレスをサードパーティで共有することはありません。

伝言を残す
あなたが私達のプロダクトに興味があるなら、より多くの詳細を知りたいのなら、ここにメッセージを残してください、私達は私達ができるだけ早くあなたに答えます。